欢迎访问陶瓷工厂网站
网站首页
|
企业邮箱
网站首页
关于我们
公司简介
公司装备
资质证书
产品展示
氧化铝95瓷
氧化铝99瓷
耐磨陶瓷
耐火材料
保温制品
耐磨铠装陶瓷管
耐磨陶瓷的应用
新闻中心
公司新闻
行业资讯
产品优势
技术方案
工程实例
市场与服务
技术专区
下载专区
人才建设
英才招聘
联系我们
在线留言
关键词::耐磨陶瓷 | 耐火制品 | 保温制品
耐磨陶瓷
氧化铝99瓷
氧化铝95瓷
粘土质耐火砖
高铝质耐火砖
高强度轻质耐火制品
刚玉莫来石制品
硅酸铝耐火纤维制品
铠装耐磨陶瓷管
氧化铝耐磨陶瓷施工
您当前的位置:
网站首页
>
产品中心
>
产品展示
铠装陶瓷管道
浏览次数:
1209
次
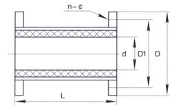
概述
1)管径Ф50--1000mm
2) 长度 0--2000mm
1)管径Ф50--1000mm
2)曲率半径可根据用户需要定制
d
D
D1
n-φ
重量
d
D
d1
N-φ
重量
50
205
170
4-16
25KG
200
370
335
12-18
55KG
80
235
200
8-16
30
225
405
365
12-22
60
100
260
225
8-16
35
250
435
395
12-22
68
125
290
255
8-18
40
300
485
445
12-22
75
150
315
280
8-18
45
350
535
495
16-22
80
175
340
305
8-18
50
400
590
550
16-22
85
弯管曲率半径R
制造单件度α
500
45
1000
30
1500
30
2000
15
2500
15
3000
10
注:标准长度600-785;可以根据用户要求定制各种管径和弯曲半径。
分料三通
煤称三通
1)分料三通进出法兰尺寸参照管道法兰尺寸.2)进口管夹角可根据用户要求定制.
◎
膨胀节
备注
:
1)管径 Ф80--400mm 2)伸缩量:0--200
3)法兰尺寸参照管道法兰尺寸.
耐磨浇注料与陶瓷贴片
耐磨浇注料
龟甲网
耐磨浇注料
耐磨浇注料
陶瓷贴片
陶瓷贴片
更多产品
氧化铝耐磨陶瓷复合管
耐磨陶瓷管
关于我们
网站简介
荣誉资质
产品展示
氧化铝95瓷
氧化铝99瓷
耐磨陶瓷
耐火材料
保温制品
新闻中心
公司新闻
行业新闻
联系我们
联系方式
在线留言
联系方式
陶瓷工厂|耐磨新材料
电话:15370877888
传真:0510-87499222
地址:宜兴市丁蜀镇紫砂村
关注我们
Copyright 2017(c) 版权所有:陶瓷工厂 All Right Reserved 技术支持:
宜兴网络
友情链接:
翅片管
|
泽霖环保
|